Details
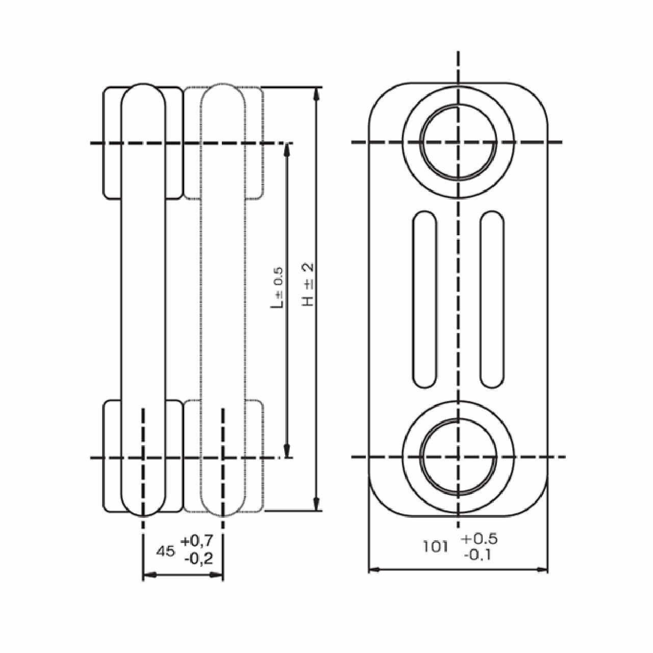
TECHNICAL SPECIFICATIONS: depth 101 mm; tubes made of 25 mm diameter sheet steel and manifolds made of pressed sheet steel; elements 45 mm long (element pitch); threading 1”1/4 G right and left on top and bottom manifold; maximum working pressure 8 bar; maximum working temperature 95°C.The tubular steel structure ensures optimum energy exploitation guaran- teeing high performance even in low temperature systems. TESI are universally adopted in the regeneration and re-conversion of existing systems.
Radiators
Irsap
IRSAP was established in 1963 in Arquà Polesine in the province of Rovigo. It started out with the manufacture of pressed steel radiators. In 1967 IRSAP begins to manufacture steel tubular radiators, completely new products for Italian market, through out a continuous growing industrial track marked by important steps, such as for example the introduction in 1981 of the first Italian towel warmer.
In 1996 IRSAP enters the residential climatization business by trading high quality household air-conditioning products. In year 2000 IRSAP merges RHOSS, leading Italian company manufacturing hydronic air-conditioning and air-treatment equipment for industrial, commercial and residential uses. IRSAP introduced an innovative conception of the radiator to the market, intended not only as a heating element but also as an interior design component with enhanced shapes, colours and functions. IRSAP has made research part of its history and innovation part of its present.
Since 40 more than years ago keeps the position of Italian leader in steel tubular radiators, being also one of the most important European radiator manufacturers. Yearly production volume overcomes 6 million sections of steel column radiators and 400,000 towel steel warmers. Active clients are distributed in Italy, Western-Eastern Europe, Mediterranean Countries, Middle East, Russian Federation, Central and South Americas, Republic of China and its manufacturing facilities are managed by ISO 9001 certified quality systems, equipped with the best technologies to offer quality, efficiency, flexibility, products and services that are envied by its competitors themselves. The radiator manufacturing techniques work by means of the most modern technologies, such as steel sheet stamping, tube working, welding and brazing, polishing and finishing, painting, almost all managed by computer system. Has developed and continues to test new welding technologies in order to reach the highest levels of quality, reliability, aesthetical finishing and productivity. The painting system (deep and powder combined) is one of the most sophisticated equipment among the major European manufacturers for its quality control and automatic handling features.
The IRSAP trademark is a quality guarantee in the interior design radiator sector. Quality born from long-standing and consistent experience in heating domestic environments, which has placed the company at the top in Italy and abroad. The IRSAP company mission is to improve the quality of life within any type of environment using innovative products, systems and services for heating, air conditioning and air treatment; paying the utmost attention to the requirements of man and respect for the environment.
Manufacturer site: www.irsap.it
NEED HELP?
Give us a call
+44 33 0001 0197
Our team of architects and interior designer will be happy to assist you with any question regarding this product.
Feel free to call us if you can't find a specific product on our website.

